Skip to content
📍 We have moved. You'll now find us at Unit 11 Cartwright Road, Saxon Business Park, Stoke Prior, Bromsgrove B60 4AD
📍 We have moved. You'll now find us at Unit 11 Cartwright Road, Saxon Business Park, Stoke Prior, Bromsgrove B60 4AD

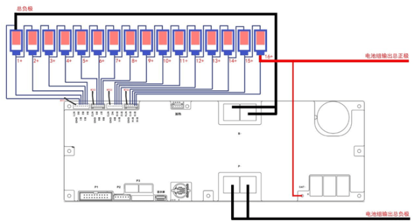
Smart BMS JK-PB2A16S-20P with Active Balancer

£179.99

The JK-PB2A16S-20P 200A Smart BMS, complete with a 2A Active Balancer, is specially tailored for large capacity LiFePO4 battery packs and solar installations.

As well as the standard features you'd come to expect from your BMS, the JK-PB2A16S-20P 200A Smart BMS also contains a whole host of additional features.

The JK-PB2A16S-20P BMS incorporates precise detection technology to provide protection against overcharge, over-discharge, over-current, and other conditions of the energy storage batteries. Rest assured, your energy storage system will operate safely and reliably.

This intelligent lithium battery protection board also features advanced active voltage balancing, allowing for real-time monitoring and active balancing management of each battery cell. This means improved battery life and performance.

Additionally, the JK BMS allows you to control and adapt cell operating functions, perform diagnostics and record data, determine critical levels such as pack State of Health (SOH) and State of Charge (SOC). You can access this data through the dedicated JK app, available on Android and iOS

This product comes with all wiring, bolts and cables

Note: JK provide no instructions with their BMS apart from those included in the downloadable PDF. We strongly recommend that you have a good working knowledge of LiFePO4 systems and BMS electrical equipment before purchasing this product.

SPECIFICATIONS
Model                                      200A 48V
Supports                                 LiFePO4, Ternary Lithium, Lithium Titanate
Balance Function                    2A
Pack Structure                        16S
Nominal Voltage Per Cell      3.2v
Operation Mode                    Common Port
Operating Temperature        -30°C~75°C
P- / C-Connection Type         M6 Threaded Terminal -10 in total.

TERMS AND CONDITIONS

  • 1 year warranty on all JK BMS products. Warranties only apply to the original owner and are non-transferrable. Fogstar will verify your purchase prior to processing any warranty claims or returns.
  • If it is determined that the product is faulty, we will ship a new product to you immediately, you will only be asked to cover the cost of the shipping. 
  • Our warranty does not cover items that have been damaged due to gross negligence, normal wear and tear, damage due to accident or collision, abuse or incorrect installation.
  • Do not leave your BMS in direct sunlight or exposed to any heat source, your BMS should be stored in an ambient temperature of -5°C~+40°C, and a relative humidity of not more than 70%.
  • Never leave a battery unit unattended whilst charging. 
  • Keep away from animals and children.
  • If you are re-selling these cells, it is your duty to pass these warnings onto your customers.
  • Do not crush, shock, apply any heavy pressure, incinerate or modify your cells or BMS system.
  • Only use within manufacturers specifications.